Olá Amigos!
E aqui estou, mais uma vez.
"Quem é vivo, sempre aparece". Desta vez, novamente, uma matéria para quem é mais iniciante, mas, antes de começarmos, um lembrete a todos..
A pandemia, por pior que isso seja, ainda está aí e vamos esperar que não seja por muito mais tempo e que a cada dia, o número de infectados comece a diminuir e por consequência, as mortes por causa da doença comecem também a cair.
Enquanto isso não acontece, devemos, mais do que nunca, fazermos a nossa parte.
Quem puder, ou sempre que puder:
Fique Em Casa, junto com os seus. Só saia de casa quando for estritamente necessário.
Use Sempre a Máscara. É incomodo, dá agonia, não podemos respirar normalmente, mas é um jeito eficaz de contribuirmos e diminuirmos a contaminação.Use-a Máscara corretamente, tapando o nariz, a boca e as laterais do rosto.
Higienize Suas Mãos Constantemente, lavando-as demoradamente, limpando entre os dedos e dorso da mão e até pelo menos o meio dos braços.
Use o Álcool Gel.
Dê Ajuda a Um Amigo, quando, e se for possível. Ajude alguém sempre que for possível.
Dado esse recado, vamos ao nosso artigo de hoje.
No artigo anterior falamos sobre os componentes eletro/eletrônicos do tipo Passivos e Reativos, que são respectivamente, os Resistores, Capacitores e Indutores.
No artigo de hoje, vamos ver algumas noções sobre os componentes ditos Ativos, que correspondem aos semicondutores: Diodos e Transistores.
No artigo de hoje, vamos ver algumas noções sobre os componentes ditos Ativos, que correspondem aos semicondutores: Diodos e Transistores.
Vamos voltar um pouco e falar sobre o conceito de componentes Passivos e Ativos.
Porque um Resistor, é dito Passivo? Eles são Passivos por que não mudam a natureza da corrente que passa pelo circuito.
Já os Capacitores e os Indutores são Reativos por que eles mudam a relação entre a Tensão e a Corrente Elétrica que passam por eles.
Uma corrente AC/DC passando por um Resistor, continuará sendo AC/DC, não importando o valor do resistor, ou da potência que ele suporta.
Com os Indutores e os Capacitores, o mesmo não acontece, se bem que, em se tratando de correntes e tensões AC, o comportamento dos Indutores e dos Capacitores é um pouco diferente em relação as tensões DC.
Uma corrente AC/DC passando por um Resistor, continuará sendo AC/DC, não importando o valor do resistor, ou da potência que ele suporta.
Com os Indutores e os Capacitores, o mesmo não acontece, se bem que, em se tratando de correntes e tensões AC, o comportamento dos Indutores e dos Capacitores é um pouco diferente em relação as tensões DC.
Já em relação aos componentes Ativos, isso não acontece, pois eles mudam radicalmente a natureza dessas correntes, mudando radicalmente suas formas e valores.
Vamos voltar ao tempo em que tudo começou.
VÁVULAS ELETRÔNICAS
Nos primórdios da Eletro/Eletrônica tínhamos as Válvulas Eletrônicas que eram tubos de vidro "cheios" de vácuo, onde em seu interior, haviam placas metálicas e filamentos que desempenhavam algumas funções elétricas. Essas placas internas eram conectadas a pinos em sua base que eram ligados a circuitos projetados para desempenhar as funções desejadas.
Vamos voltar ao tempo em que tudo começou.
VÁVULAS ELETRÔNICAS
Nos primórdios da Eletro/Eletrônica tínhamos as Válvulas Eletrônicas que eram tubos de vidro "cheios" de vácuo, onde em seu interior, haviam placas metálicas e filamentos que desempenhavam algumas funções elétricas. Essas placas internas eram conectadas a pinos em sua base que eram ligados a circuitos projetados para desempenhar as funções desejadas.
A função mais básica de uma válvula eletrônica era o Diodo cujos símbolos podemos ver ao lado.
Na maioria dessas válvulas era necessário um elemento de aquecimento para seu funcionamento. Esse filamento, quando aquecido sob uma placa metálica denominada Catodo, fazia com que essa placa emitisse elétrons, que eram direcionados para uma outra placa metálica denominada Anodo.
Em uma versão mais moderna dessas válvulas, o próprio filamento servia como Catodo e essas eram chamadas de Válvulas com Aquecimento Direto.
Para que esses elétrons saíssem do Catodo e se dirigissem ao Anodo, era necessário criar um campo elétrico de grandes proporções dentro da válvula e para isso, era necessário que a diferença de potencial (Tensão) entre o catodo e o anodo fosse muito grande (ver foto ao lado), de cerca de 250V ou mais.
Para isso, precisávamos de transformadores de tensão (Indutores) que elevassem a tensão dos 110VAC (normais) para a ordem necessária ao objetivo do circuito.
Dependendo da potência que pudesse ser solicitada desse circuito, isso podia chegar a 400V ou mais.
Um tubo de televisão antigo, ou de nossos monitores de computador antigos (que nada mais são do que válvulas eletrônicas gigantes), isso chegava a ser na ordem de 24.000 a 30.000Volts (perguntem aos mais idosos o que era o Fly Back) das televisões antigas).
Para que esses elétrons saíssem do Catodo e se dirigissem ao Anodo, era necessário criar um campo elétrico de grandes proporções dentro da válvula e para isso, era necessário que a diferença de potencial (Tensão) entre o catodo e o anodo fosse muito grande (ver foto ao lado), de cerca de 250V ou mais.
Para isso, precisávamos de transformadores de tensão (Indutores) que elevassem a tensão dos 110VAC (normais) para a ordem necessária ao objetivo do circuito.
Dependendo da potência que pudesse ser solicitada desse circuito, isso podia chegar a 400V ou mais.
Um tubo de televisão antigo, ou de nossos monitores de computador antigos (que nada mais são do que válvulas eletrônicas gigantes), isso chegava a ser na ordem de 24.000 a 30.000Volts (perguntem aos mais idosos o que era o Fly Back) das televisões antigas).
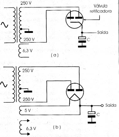
Observem no esquema acima, que o transformador tem vários enrolamentos com valores de tensão diferentes. 250V para os anodos, 5V para o catodo direto e um enrolamento de 6,3V que servia como fonte de alimentação para os filamentos das válvulas que não tinham catodo direto, como podemos ver na parte superior do mesmo desenho.
Em um Diodo (na verdade, em todas as válvulas eletrônicas), a corrente só pode circular de um polo Negativo (Catodo - onde são gerados os elétrons) para um polo Positivo (Anodo) e a tensão AC do transformador ligado aos anodos do diodo (diodo duplo) só consegue formar corrente por dentro da válvula, quando o terminal Anodo, em cujo enrolamento está a fase positiva da tensão AC. Em cada ciclo positivo da tensão AC, apenas um anodo funciona a cada instante (o circuito é fechado pelo terminal central do transformador, denominado Ponto de Terra (Terra - Massa - Comum, etc.) do circuito, que também pode ser visto ligado ao terminal negativo do capacitor na saída do circuito).
O circuito que essa fonte alimenta, chamado de Carga, está ligado entre o ponto chamado Saída e ao ponto Terra do Circuito.
Em um diodo, só existe dois modos de variarmos a corrente que passa pela válvula.
Primeiro seria aumentando-se a diferença de potencial entre o Catodo e o Anodo (quanto mais tensão, mais corrente) e o segundo modo seria variando-se a carga sobre a fonte de alimentação (quanto menos carga restiva, mais corrente).
Mas, o ser humano é um "bicho" que pensa e pesando descobre as coisas que se aplicam e resolvem as suas necessidades.
O pensamento foi o seguinte: Quando eu aumento a tensão dentro da válvula eu aumento o campo elétrico entre os terminais dela, certo?
E se eu criasse um outro campo elétrico dentro da válvula que se somasse ou se diminuísse ao campo elétrico original criado pela tensão entre o anodo e o catodo?
Foi o que fizeram. Esse novo eletrodo foi denominado Grade de Controle, criando-se assim as válvulas chamadas de Triodo. Com o tempo foram-se criando novos eletrodos e as denominações Tetrodo, Pentodo e com o aumento das tecnologias e necessidades, foram-se criando válvulas dentro de válvulas e onúmero de componentes dentro das válvulas e o número de terminais das válvulas, havendo uma válvula chamada Heptodo (com sete elementos internos), usada antigamente em aparelhos receptores de rádio.
A adição da Grade de Controle e posteriormente as outras grades nas válvulas permitiu que se pudesse melhor controlar a corrente que passava dentro da válvula e isso foi gerando aplicações e circuitos variados que possibilitaram tudo que temos hoje em dia em termos de eletrônica.
Podia-se fazer qualquer coisa com as válvulas eletrônicas. Até mesmo computadores.
O Eniac, foi um computador desenvolvido para o exército americano e contava com setenta mil resistores e dezoito mil válvulas eletrônicas. Seu consumo era de 200kWatts (200mil Watts).
A adição da Grade de Controle e posteriormente as outras grades nas válvulas permitiu que se pudesse melhor controlar a corrente que passava dentro da válvula e isso foi gerando aplicações e circuitos variados que possibilitaram tudo que temos hoje em dia em termos de eletrônica.
Podia-se fazer qualquer coisa com as válvulas eletrônicas. Até mesmo computadores.
O Eniac, foi um computador desenvolvido para o exército americano e contava com setenta mil resistores e dezoito mil válvulas eletrônicas. Seu consumo era de 200kWatts (200mil Watts).
Uma aplicação interessante das válvulas eletrônicas antigas, era uma válvula denominada Olho Mágico (precursor do LED - ver ao lado), que era usada para ajudar a sintonizar mais precisamente os aparelhos de rádios de antigamente. No topo da válvula havia um dispositivo iluminado fluorescente que variava de forma e brilho, de acordo com o nível de sinal que o rádio recebia. Quando estávamos exatamente sobre a frequência que desejássemos sintonizar, a área e o brilho na válvula era máximo, diminuindo conforme nos afastávamos do ponto ideal do sintonizador.
No início da era da Informática, os displays alfa numéricos dos primeiros computadores e calculadoras, eram feitos com válvulas eletrônicas, também.
Mas apesar delas terem melhorado seus desempenhos e tamanhos, chegando até a serem bastante miniaturizadas, o grande problema das válvulas continuou sendo seu tamanho e consumo de corrente, pois precisavam ser esquentadas para que funcionassem a contento.
Mas apesar delas terem melhorado seus desempenhos e tamanhos, chegando até a serem bastante miniaturizadas, o grande problema das válvulas continuou sendo seu tamanho e consumo de corrente, pois precisavam ser esquentadas para que funcionassem a contento.
OS SEMICONDUTORES
Com o tempo, apareceram os semicondutores. Precisavam substituir as válvulas por dispositivos menores e mais eficientes e inicialmente tivemos os Selênio.
Se abrirmos um controlador para Ferromodelismo bem antigo, podemos encontrar dentro dele, um dispositivo parecido como os mostrados na figura abaixo.
Eram os chamados Diodos de Selénio. Ainda eram grandes e volumosos, mas já não precisavam de um filamento aquecedor para funcionarem como as válvulas retificadoras.
Entre cada placa, havia um dispositivo formado por um semicondutor chamado Selênio que funcionava como um diodo e tinha uma tensão reversa de 20V.
Para tensões maiores, era necessário associar-se um número maior de placas até que eles pudessem suportar a tensão reversa aplicada no circuito.
TENSÃO REVERSA - Quando um diodo é colocado em um retificador, ele funciona deixando passar corrente apenas no sentido em que ele está polarizado diretamente.
Eram os chamados Diodos de Selénio. Ainda eram grandes e volumosos, mas já não precisavam de um filamento aquecedor para funcionarem como as válvulas retificadoras.
Entre cada placa, havia um dispositivo formado por um semicondutor chamado Selênio que funcionava como um diodo e tinha uma tensão reversa de 20V.
Para tensões maiores, era necessário associar-se um número maior de placas até que eles pudessem suportar a tensão reversa aplicada no circuito.
TENSÃO REVERSA - Quando um diodo é colocado em um retificador, ele funciona deixando passar corrente apenas no sentido em que ele está polarizado diretamente.
A tensão AC inverte sua polaridade a cada um sessenta avos de segundo(1/60s) e nesse momento, o diodo fica polarizado inversamente e tem que suportar a tensão de pico da onda AC reversa. Se esse pico reverso de tensão for maior que a tensão reversa especificada para o diodo, ele entrará em curto ou queimará, sendo danificado irremediavelmente.
GERMÂNIO/SILÍCIO - No início, o semicondutor usado para a fabricação dos diodos semicondutores modernos era o Germânio e com o tempo vieram os diodos de Silício.
GERMÂNIO/SILÍCIO - No início, o semicondutor usado para a fabricação dos diodos semicondutores modernos era o Germânio e com o tempo vieram os diodos de Silício.
Para a construção de um diodo, é preciso haver dois tipos de cristais semicondutores, seja ele de Silício, seja de Germânio.
Um desses tipos é chamado de Tipo P e o outro é chamado de Tipo N.
O diodo é basicamente formado quando uma junção desses dois cristais é, aparecendo o que chamamos de Junção PN.
A JUNÇÃO PN - Dois cristais de Silício ou de Germânio, sendo um do Tipo P e outro do Tipo N, são colocados juntos para formar o diodo. Nessa junção PN forma-se uma barreira de potencial de 0,3V, no caso do Germânio e de 0,6V, no caso do Silício. Enquanto a tensão entre os terminais do diodo não ultrapassar essa barreira de tensão, ele se comporta como um circuito aberto (resistência Infinita, ou muito alta), mas no instante que isso acontece, ele passa a se comportar como um curto circuito (resistência Zero ou muito próxima de zero).
Essa junção só vai conduzir corrente se estiver com o polo positivo da tensão ligado ao cristal P e o polo negativo ao cristal N. No sentido inverso, ela não conduz até que seja alcançada a chamada Tensão de Pico Reversa e quando isso ocorrer, o diodo será danificado, irremediavelmente.
A JUNÇÃO PN - Dois cristais de Silício ou de Germânio, sendo um do Tipo P e outro do Tipo N, são colocados juntos para formar o diodo. Nessa junção PN forma-se uma barreira de potencial de 0,3V, no caso do Germânio e de 0,6V, no caso do Silício. Enquanto a tensão entre os terminais do diodo não ultrapassar essa barreira de tensão, ele se comporta como um circuito aberto (resistência Infinita, ou muito alta), mas no instante que isso acontece, ele passa a se comportar como um curto circuito (resistência Zero ou muito próxima de zero).
Essa junção só vai conduzir corrente se estiver com o polo positivo da tensão ligado ao cristal P e o polo negativo ao cristal N. No sentido inverso, ela não conduz até que seja alcançada a chamada Tensão de Pico Reversa e quando isso ocorrer, o diodo será danificado, irremediavelmente.
Os Diodos podem queimar, ou serem danificados por dois motivos: No sentido direto, por excesso de corrente e no sentido inverso, por excesso de tensão.
Depois que a barreira de tensão é alcançada, A corrente no diodo está livre para ir ao infinito, se não houver uma carga resistiva suficiente, que possa limitar a corrente que passa pelo circuito a valores compatíveis com a capacidade especificada para o diodo.
Como exemplo, os diodos da família 1N400X podem variar de 50V (1N4001) a 1000V (1N4007), mas todos eles suportam apenas 1A (um Ampere) de corrente direta.
Os diodos da família MR50X podem variar de 50V (MR500) a 1000V (MR510), e todos são especificados para uma corrente máxima de 3A (3 Ampere).
Existem vários outros tipos de diodos, sem necessariamente serem dedicados a retificação de correntes. Todos eles são retificadores mas sua função principal não é a retificação.
Depois que a barreira de tensão é alcançada, A corrente no diodo está livre para ir ao infinito, se não houver uma carga resistiva suficiente, que possa limitar a corrente que passa pelo circuito a valores compatíveis com a capacidade especificada para o diodo.
Como exemplo, os diodos da família 1N400X podem variar de 50V (1N4001) a 1000V (1N4007), mas todos eles suportam apenas 1A (um Ampere) de corrente direta.
Os diodos da família MR50X podem variar de 50V (MR500) a 1000V (MR510), e todos são especificados para uma corrente máxima de 3A (3 Ampere).
Existem vários outros tipos de diodos, sem necessariamente serem dedicados a retificação de correntes. Todos eles são retificadores mas sua função principal não é a retificação.
Diodo Zener - é um diodo que funciona como estabilizador de tensão em uma fonte de alimentação. Um diodo Zener quando colocado em uma fonte de alimentação e polarizado dentro de suas características, manterá a tensão de saída dessa fonte estabilizada dentro de um valor que faz parte de suas especificações. Há diodos Zener para várias tensões. 1N4733 (5,1V - 1W) - 1N4729A (6,8V 1W), etc.
SCR - Silicon Controlled Rectfier - Retificador Controlado de Silício - É um tipo de diodo retificador que tem uma espécie de "gatilho" (chamado Gate ou Porta) que determina quando ele vai começar a retificar. Uma corrente em seu Gate, diz ao diodo quando ele deve começar a retificação. Como é um diodo, ele também elimina um ciclo da onda senoidal de tensões AC, mas como ele pode ser comandado quando vai começar a retificar, ele pode controlar o valor da tensão saída da fonte de acordo com o circuito de controle que aciona o Gate.
Um Dimmer, desses usados para controlar a velocidade de ventiladores e aparelhos de aquecimento, nada mais é que uma fonte de alimentação controlada por um potenciômetro que, controlando a ação de um SCR interno, determina o valor final da tensão na saída.
Diodo Schottky e Diodo Túnel - São diodos ultra rápidos. Os diodos de silício só funcionam como retificadores a partir de 0,7V. Em algumas aplicações, esses valores atrapalham e usa-se esses tipos de diodos, quando precisa-se que essa tensão seja mais baixa.
Varicap - É um tipo de diodo que varia sua capacitância interna de acordo com a tensão aplicada a ele, usado em sintonizadores eletrônicos de televisão
SCR - Silicon Controlled Rectfier - Retificador Controlado de Silício - É um tipo de diodo retificador que tem uma espécie de "gatilho" (chamado Gate ou Porta) que determina quando ele vai começar a retificar. Uma corrente em seu Gate, diz ao diodo quando ele deve começar a retificação. Como é um diodo, ele também elimina um ciclo da onda senoidal de tensões AC, mas como ele pode ser comandado quando vai começar a retificar, ele pode controlar o valor da tensão saída da fonte de acordo com o circuito de controle que aciona o Gate.
Um Dimmer, desses usados para controlar a velocidade de ventiladores e aparelhos de aquecimento, nada mais é que uma fonte de alimentação controlada por um potenciômetro que, controlando a ação de um SCR interno, determina o valor final da tensão na saída.
Diodo Schottky e Diodo Túnel - São diodos ultra rápidos. Os diodos de silício só funcionam como retificadores a partir de 0,7V. Em algumas aplicações, esses valores atrapalham e usa-se esses tipos de diodos, quando precisa-se que essa tensão seja mais baixa.
Varicap - É um tipo de diodo que varia sua capacitância interna de acordo com a tensão aplicada a ele, usado em sintonizadores eletrônicos de televisão
Fotodiodo - Como o nome já diz, é um diodo controlado por luz. Se não for exposto a luz, ele funciona como um circuito aberto. Exposto a luz funciona como um diodo.
Quer saber quando um trem, em sua maquete passa por determinado ponto? Use um Fotodiodo para descobrir. Circuitos Detectores de Ocupação das linhas, podem ser implementados a partir dessa característica de um diodo.
Quer saber quando um trem, em sua maquete passa por determinado ponto? Use um Fotodiodo para descobrir. Circuitos Detectores de Ocupação das linhas, podem ser implementados a partir dessa característica de um diodo.
LED - Light Emitting Diode - Diodo Emissor de Luz - Quando construíram a junção PN, observaram que além de funcionar como diodo, ela também era sensível a luz, nascendo de imediato os Fotodiodos, mas observaram também que eles podiam emitir luz e essa luz não era igual à de um filamento de uma lâmpada, mas ela vinha diretamente dos elétrons que ao mudar de nível entre suas órbitas, junto aos átomos do cristal de silício, emitiam luz em comprimentos de ondas muitos específicos.
Existem LEDs que emitem luz no comprimento de onda da luz Vermelha, da Verde, LEDs que emitem luzes invisíveis aos nossos olhos, como o Infra Vermelho a Ultra Violeta e até mesmo o Laser. Não é a cor do invólucro do LED que determina a cor de lua luz. A cor do LED é determinada pelo comprimento de onda que seus elétrons emitem ao saltar nas órbitas de seus átomos, tanto que temos LEDs de invólucros incolores que emitem luzes coloridas.
No início, não se conseguia o LED Azul, mas com o avanço tecnológico, hoje temos LEDs Azuis e Brancos.
De pequenos pontos coloridos, usados antigamente como pontos de sinalização, os LEDs hoje em dia já são usados como faróis de carros e na iluminação pública de ruas e em nossas casas com lâmpadas de baixo consumo, alta durabilidade e grande eficiência.
Existem LEDs que emitem luz no comprimento de onda da luz Vermelha, da Verde, LEDs que emitem luzes invisíveis aos nossos olhos, como o Infra Vermelho a Ultra Violeta e até mesmo o Laser. Não é a cor do invólucro do LED que determina a cor de lua luz. A cor do LED é determinada pelo comprimento de onda que seus elétrons emitem ao saltar nas órbitas de seus átomos, tanto que temos LEDs de invólucros incolores que emitem luzes coloridas.
No início, não se conseguia o LED Azul, mas com o avanço tecnológico, hoje temos LEDs Azuis e Brancos.
De pequenos pontos coloridos, usados antigamente como pontos de sinalização, os LEDs hoje em dia já são usados como faróis de carros e na iluminação pública de ruas e em nossas casas com lâmpadas de baixo consumo, alta durabilidade e grande eficiência.
Para completar este artigo, vamos falar agora de um outro componente semicondutor que é muito usado em nossos projetos, Os Transistores.
TRANSISTORES - Os transistores são componentes semicondutores formados, basicamente, por três cristais semicondutores, formando duas junções PN.
TRANSISTORES - Os transistores são componentes semicondutores formados, basicamente, por três cristais semicondutores, formando duas junções PN.
Podemos ter transistores do Tipo PNP e transistores do Tipo NPN, de acordo como for formado o empilhamento dos cristais semicondutores N e P.
Os transistores têm três terminais denominados Coletor (C), Base (B) e Emissor (E).
Do mesmo jeito que a Válvula Eletrônica Triodo, uma pequena corrente injetada entre sua Base e Emissor (Ib), controla uma corrente de valor muito maior que circula entre seu Coletor e Emissor (Ic).
A relação entre a corrente de base (base/emissor - Ib) e a corrente entre coletor/emissor (Ic) é denominada Ganho do Transistor (hfe) e é uma característica intrínseca do transistor.
Do mesmo jeito que a Válvula Eletrônica Triodo, uma pequena corrente injetada entre sua Base e Emissor (Ib), controla uma corrente de valor muito maior que circula entre seu Coletor e Emissor (Ic).
A relação entre a corrente de base (base/emissor - Ib) e a corrente entre coletor/emissor (Ic) é denominada Ganho do Transistor (hfe) e é uma característica intrínseca do transistor.
O Transistor Bipolar funciona como um amplificador de corrente.
Uma pequena corrente na base (Ib) faz circular uma corrente bem maior entre Coletor e Emissor (Ic).
Uma pequena corrente na base (Ib) faz circular uma corrente bem maior entre Coletor e Emissor (Ic).
Em um Transistor de silício, a tensão entre Base/Emissor é sempre 0,6V, (isso é intrínseco da junção PN) pois entre esses dois terminais, temos uma junção PN (ou NP se o transistor for PNP, mas sempre será uma junção PN ou 0,6V).
No desenho acima, a tensão Vb diminuída da tensão da junção Base/Emissor e dividida pela resistência RB nos dá a corrente Ib (Vb=VRb+Vbe).
Quando o transistor estiver na região de funcionamento normal (Condução), a corrente Ic, pode ser calculada da seguinte forma: Vcc diminuída da tensão Vce (tensão entre Coletor/Emissor), dividida pela resistência Rc.
Se aumentarmos Vb, aumentamos Ib e assim aumentamos Ic (Ic=Ib multiplicado por hfe), por conseguinte, diminuímos Vce, por que aumentamos a tensão em Rc (VRc=Ic multiplicado por Rc).
Se diminuirmos Vb, diminuímos Ib e do mesmo jeito, diminuímos Ic e assim aumentamos Vce, pois a tensão em Rc diminuirá (VRc=Ic multiplicado por Rc -> V=RxI (Lei de Ohm)).
Se Vb for igual a Zero, então Ib será igual a Zero e a corrente Ic também será Igual a Zero, então temos que VRc será igual a Zero multiplicado por Rc, então concluímos que Vce será igual a Vcc. Nessa situação dizemos que o Transistor está em uma Região de Corte.
No extremo oposto, quando Vb for alto o suficiente para que Ic multiplicado por Rc provoque em Rc uma queda de tensão igual a Vcc (Ic multiplicado por Rc for igual ao valor de Vcc), dizemos que o Transistor está na Região de Saturação e nesse caso VRc=Vcc e Vce=0 (Zero).
Na Região de Corte (Ic=0 - Vce=Vcc) o transistor não estará conduzindo corrente e podemos dizer que o transistor funciona como uma Chave Aberta (circuito Aberto).
Na Região de Saturação (Ic=Máximo - Vce=0 (Zero)) podemos dizer que o Transistor estará funcionando como uma Chave Fechada (circuito Fechado).
Essas duas situações são altamente importantes pois desses dois estados é que são feitos os Circuitos Digitais, que sempre trabalham com apenas essas duas situações (Aberto/Fechado - Verdadeiro/Falso - Zero/Um).
Podemos usar um Transistor como Chave Eletrônica para qualquer aplicação que desejarmos, fazendo com que eles sempre trabalhem nessas duas situações.
No desenho acima, a tensão Vb diminuída da tensão da junção Base/Emissor e dividida pela resistência RB nos dá a corrente Ib (Vb=VRb+Vbe).
Quando o transistor estiver na região de funcionamento normal (Condução), a corrente Ic, pode ser calculada da seguinte forma: Vcc diminuída da tensão Vce (tensão entre Coletor/Emissor), dividida pela resistência Rc.
Se aumentarmos Vb, aumentamos Ib e assim aumentamos Ic (Ic=Ib multiplicado por hfe), por conseguinte, diminuímos Vce, por que aumentamos a tensão em Rc (VRc=Ic multiplicado por Rc).
Se diminuirmos Vb, diminuímos Ib e do mesmo jeito, diminuímos Ic e assim aumentamos Vce, pois a tensão em Rc diminuirá (VRc=Ic multiplicado por Rc -> V=RxI (Lei de Ohm)).
Se Vb for igual a Zero, então Ib será igual a Zero e a corrente Ic também será Igual a Zero, então temos que VRc será igual a Zero multiplicado por Rc, então concluímos que Vce será igual a Vcc. Nessa situação dizemos que o Transistor está em uma Região de Corte.
No extremo oposto, quando Vb for alto o suficiente para que Ic multiplicado por Rc provoque em Rc uma queda de tensão igual a Vcc (Ic multiplicado por Rc for igual ao valor de Vcc), dizemos que o Transistor está na Região de Saturação e nesse caso VRc=Vcc e Vce=0 (Zero).
Na Região de Corte (Ic=0 - Vce=Vcc) o transistor não estará conduzindo corrente e podemos dizer que o transistor funciona como uma Chave Aberta (circuito Aberto).
Na Região de Saturação (Ic=Máximo - Vce=0 (Zero)) podemos dizer que o Transistor estará funcionando como uma Chave Fechada (circuito Fechado).
Essas duas situações são altamente importantes pois desses dois estados é que são feitos os Circuitos Digitais, que sempre trabalham com apenas essas duas situações (Aberto/Fechado - Verdadeiro/Falso - Zero/Um).
Podemos usar um Transistor como Chave Eletrônica para qualquer aplicação que desejarmos, fazendo com que eles sempre trabalhem nessas duas situações.
No esquema acima e ao lado podemos ver uma aplicação para essa situação.
Na entrada denominada Digital Port, podemos ter uma chave ligada a uma fonte de alimentação qualquer, ou um circuito (digital ou analógico) que gere tensão suficiente para Saturar ou Cortar o Transistor T1, fazendo com a que a Carga ligada entre os pontos 1 e 2 do circuito, ligados ao coletor do Transistor T1, seja acionada ou desligada.
Essa carga pode ser uma Lâmpada, um LED, um Relé ou até mesmo um outro Circuito Eletrônico ou Elétrico, conforme nossas necessidades.
Na entrada denominada Digital Port, podemos ter uma chave ligada a uma fonte de alimentação qualquer, ou um circuito (digital ou analógico) que gere tensão suficiente para Saturar ou Cortar o Transistor T1, fazendo com a que a Carga ligada entre os pontos 1 e 2 do circuito, ligados ao coletor do Transistor T1, seja acionada ou desligada.
Essa carga pode ser uma Lâmpada, um LED, um Relé ou até mesmo um outro Circuito Eletrônico ou Elétrico, conforme nossas necessidades.
O diodo D1, ligado em paralelo com a carga, (polarizado inversamente (veja que seu Catodo está ligado ao positivo da alimentação)), serve para supressão de picos de tensão espúrios se a carga entre os terminais 1 e 2 for indutiva (relés, bobinas, etc).
No circuito esquemático mostrado acima, podemos ver a aplicação prática de alguns dos componentes eletrônicos descritos até aqui nesses nossos artigos.
Depois de passar pelos diodos D1 e D2, a forma de onda ficaria conforme aparece no Detalhe 03, se não houvesse a influência do capacitor C1 (Detalhe 04).
O capacitor C1, se carrega com o valor de pico da tensão pulsante observada no Detalhe 03, mas, por seu valor bastante alto (1000 microFarad), demorará um pouco a se descarregar para o resto do circuito, mantendo a tensão em um nível perto do valor de pico, até que a onda DC pulsante atinja novamente a tensão no capacitor. Isso torna a tensão na saída do circuito retificador mais estável e linear.
O circuito formado pelos resistor R1 e LED1 serve para sinalizar que a fonte tem tensão e está funcionando. O resistor R1 limita a corrente no LED1 a um valor compatível com a características do LED1
A partir do resistor R2, temos o que chamamos de Circuito Regulador de Tensão. O circuito formado pelo resistor R2, capacitor C2 e o diodo Zener Z1, mantem uma tensão fixa polarizando a base do Transistor Q1 (BD135 - NPN - 45V -1,5A ).
A junção Base/Emissor do transistor Q1, forma uma junção PN (0,6V), que somada a tensão de trabalho do diodo Zener Z1 nos dá a tensão de saída fixa da Fonte de Alimentação Regulada, mostrada no esquema.
A tensão de saída é fixa pois o Zener sempre mantem uma tensão fixa entre seus terminais, não importando a corrente solicitada pelo circuito, desde que esteja dentro de suas características de funcionamento (note que o diodo Zener é polarizado inversamente para que funcione adequadamente. Se polarizado diretamente, ele funcionará como um diodo comum).
Este circuito é bem parecido com a fonte do controlador de tensão da Frateschi, que é uma Fonte de Tensão Regulada Variável, mudando apenas a polarização na base do transistor Q1, que é formada por um circuito que, através de um potenciômetro, varia a tensão aplicada na base do transistor.
Os capacitores C2 e C3, funcionam como filtro de tensão, ajudando ainda mais manter a tensão de saída fixa e estável.
Na figura ao lado, podemos ver as várias aparências nas quais um transistor pode nos ser apresentado.
Atualmente a mais encontrada é a TO92, muito usada em transistores de baixa potência. A posição dos pinos Coletor, Base e Emissor varia de invólucro para invólucro. Convém consultar um manual para saber exatamente como cada um se apresenta.
Também muito conhecido é o formato TO220, usado nos controladores de velocidade da Frateschi. Nesse tipo de invólucro, existe uma aba metálica por onde o transistor pode ser fixado a algum lugar. Essa aba é sempre ligada ao coletor do transistor e temos que tomar cuidado onde ela deve ser ligada para que não haja um curto circuito e possível dano ao transistor.
A junção Base/Emissor do transistor Q1, forma uma junção PN (0,6V), que somada a tensão de trabalho do diodo Zener Z1 nos dá a tensão de saída fixa da Fonte de Alimentação Regulada, mostrada no esquema.
A tensão de saída é fixa pois o Zener sempre mantem uma tensão fixa entre seus terminais, não importando a corrente solicitada pelo circuito, desde que esteja dentro de suas características de funcionamento (note que o diodo Zener é polarizado inversamente para que funcione adequadamente. Se polarizado diretamente, ele funcionará como um diodo comum).
Este circuito é bem parecido com a fonte do controlador de tensão da Frateschi, que é uma Fonte de Tensão Regulada Variável, mudando apenas a polarização na base do transistor Q1, que é formada por um circuito que, através de um potenciômetro, varia a tensão aplicada na base do transistor.
Os capacitores C2 e C3, funcionam como filtro de tensão, ajudando ainda mais manter a tensão de saída fixa e estável.
Na figura ao lado, podemos ver as várias aparências nas quais um transistor pode nos ser apresentado.
Atualmente a mais encontrada é a TO92, muito usada em transistores de baixa potência. A posição dos pinos Coletor, Base e Emissor varia de invólucro para invólucro. Convém consultar um manual para saber exatamente como cada um se apresenta.
Também muito conhecido é o formato TO220, usado nos controladores de velocidade da Frateschi. Nesse tipo de invólucro, existe uma aba metálica por onde o transistor pode ser fixado a algum lugar. Essa aba é sempre ligada ao coletor do transistor e temos que tomar cuidado onde ela deve ser ligada para que não haja um curto circuito e possível dano ao transistor.
Sempre que um transistor apresentar esse ponto de fixação ele estará ligado ao coletor e isto também serve como dissipador de potência.
Um outro formato curioso é o TO3 que parece um chapéu e aparentemente tem apenas dois terminais. Esses dois terminais são o Emissor e a Base do Transistor de potência elevada. O Coletor é a parte metálica do invólucro do Transistor que também serve para melhor dissipar o calor gerado em seu funcionamento. Normalmente este formato é usado com dissipadores de calor e sua montagem deve ser isolada da sua base de montagem por camadas de isolantes elétricos (normalmente uma folha de mica) e pasta térmica para melhorar a condução térmica entre o transistor e sua base de montagem.
Existem porém outros tipos de Transistores, como os Transistores de Unijunção (símbolo e diagrama de construção ao lado).
Nos transistores de Unijunção os terminais são chamados de Emissor (E), Base 1 (B1) e Base 2 (B2).
Temos também os Field Efcect Transistores (FET - Transistor de Efeito de Campo) e os Metal Oxide Field Efect Transistores (MOSFET - Metal Oxido FET).
Depois da invenção dos Transistores e seu desenvolvimento, um leque enorme de outros dispositivos semicondutores foram desenvolvidos.
Os Amplificadores Operacionais (OP AMP), que são circuitos a base de transistores, integrados em um único invólucro, que realizam funções basicamente analógicas, como amplificadores de sinal e de controle para circuitos analógicos.
Temos também os Circuitos Integrados com funções digitais (CI), os Micro Processadores e tudo mais que hoje domina o campo da eletrônica, misturando tecnologias e a cada segundo que passa, aumentando sua complexidade e funcionalidades.
Temos também os Circuitos Integrados com funções digitais (CI), os Micro Processadores e tudo mais que hoje domina o campo da eletrônica, misturando tecnologias e a cada segundo que passa, aumentando sua complexidade e funcionalidades.
Por enquanto é só, Amigos.
Espero que tenham gostado e que o artigo acima possa lhes ser útil de alguma forma.
As ideias aqui apresentadas são apenas a minha concepção de como podemos fazer uma estrutura mais realista para ser colocada na maquete.
Havendo alguma outra ideia a respeito de algum tópico, ou até mesmo erros sobre como abordei algum assunto, por favor escrevam-me diretamente (j.oscar03@terra.com.br) ou deixem seus comentários ao final do Blog.
Saudações
J.Oscar
Havendo alguma outra ideia a respeito de algum tópico, ou até mesmo erros sobre como abordei algum assunto, por favor escrevam-me diretamente (j.oscar03@terra.com.br) ou deixem seus comentários ao final do Blog.
Saudações
J.Oscar





























